如何寻找西门子PLC教程PDF
直接搜索“西门子PLC教程PDF”可能会得到一些质量参差不齐或过时的资源,以下是一些更有效、更可靠的寻找方法:

官方资源(最权威、最准确)
西门子官方提供了大量免费的技术文档和手册,这是学习的最佳起点。
-
西门子官网 (Siemens.com):
- 路径: 访问西门子官网 -> 支持 -> 文档与下载 -> 自动化与驱动 -> SIMATIC。
- 关键词搜索: 在搜索框中输入您需要的具体型号或手册名称。
- 核心手册类型:
- 手册: 这是最系统的教程,S7-1200 可编程控制器系统手册》、《S7-1500 可编程控制器系统手册》,这些手册包含了硬件、安装、编程、通信等所有方面的详细信息。
- 入门指南: S7-1200 编程入门》、《STEP 7 Basic V15 编程手册》,这些手册更侧重于基础操作和概念,非常适合初学者。
- 技术规范: 详细介绍某个具体模块的技术参数。
-
西门子工业支持中心:
- 这是一个专门为工程师提供支持的网站,资源非常集中。
- 网址:
https://support.industry.siemens.com/cs/ww/en/ - 使用方法: 您可以在这里根据PLC型号(如S7-1200, S7-1500)、软件版本(如TIA Portal V15/V16/V17)来筛选和下载手册、案例、FAQ等。
优质第三方资源平台
这些平台上有许多由资深工程师分享的、经过整理的PDF教程和课件。

- 道客巴巴:
一个文档分享平台,有大量西门子PLC相关的PDF、PPT资料,搜索时注意筛选,选择下载量高、评价好的文档。
- 豆丁网:
与道客巴巴类似,也是一个文档分享社区,可以找到很多学习资料。
- CSDN (中国软件开发者网络):
虽然主要是编程社区,但有很多关于PLC编程的技术博客和专栏文章,其中很多作者会提供自己整理的PDF学习笔记或下载链接。
- Bilibili (B站):
- B站虽然不是PDF资源库,但上面有大量免费的、系统的视频教程,很多UP主会在视频简介区或评论区提供他们整理的PDF课件、笔记或思维导图。强烈推荐!
资源搜索技巧
- 使用精确关键词:
西门子 S7-1200 入门教程 PDFTIA Portal V15 编程手册 下载S7-1500 SCL 语言编程实例 PDFWinCC Flexible 组态教程 PDF
- 注意文件来源: 优先选择来自知名论坛、大学或技术博客的资源,警惕病毒或低质量广告。
- 结合视频学习: 对于初学者,纯文字的PDF可能比较枯燥,建议以B站等平台的免费视频教程为主线,遇到不懂的概念或操作时,再查找相应的PDF手册作为参考和补充。
西门子PLC学习路径推荐
学习PLC不能一蹴而就,建议遵循以下路径:

理论基础入门
- 了解PLC基本概念: 什么是PLC?它的工作原理是什么?(循环扫描周期)。
- 认识硬件: 了解西门子PLC的常见系列,如S7-200 (已停产,但仍有应用)、S7-1200 (入门级)、S7-1500 (主流高性能),学习CPU、数字量输入/输出模块、模拟量模块、通信模块等的作用。
- 熟悉软件环境: 学习使用TIA Portal (博途),这是西门子目前统一的编程平台,了解其项目结构、硬件组态、在线监控等基本操作。
推荐PDF: 《S7-1200 系统手册》的前几章、《TIA Portal 入门指南》。
核心编程语言学习
TIA Portal支持多种编程语言,从易到难建议学习顺序:
- LAD (梯形图):
- 特点: 最接近继电器电路图,非常直观,适合初学者入门。
- 常开触点、常闭触点、线圈、定时器、计数器等基本指令。
- FBD (功能块图):
- 特点: 使用逻辑门框图,适合描述复杂的逻辑关系。
- SCL (结构化控制语言):
- 特点: 类似于Pascal语言,功能强大,适合编写复杂的算法、数据处理和程序结构化,是高级工程师必备技能。
- STL (语句表):
- 特点: 类似于汇编语言,执行效率最高,但可读性差,通常用于对性能有极高要求的场合或处理特殊指令。
推荐PDF: 《TIA Portal 编程手册》中关于LAD和SCL的章节。
高级应用与通信
- 数据处理: 学习数据块、数据类型、 MOVE、比较、数学运算等指令。
- 程序结构化: 学习使用功能块、功能、组织块 来组织程序,提高代码的复用性和可读性。
- 通信技术: 这是PLC应用的关键。
- PROFINET: 西门子主流的工业以太网协议,用于PLC与HMI、驱动器、其他PLC之间的通信。
- MODBUS RTU/TCP: 通用协议,用于连接第三方设备。
- 以太网TCP/IP: 用于与PC、服务器等设备通信。
- 串口通信 (RS232/RS485): 用于连接一些老式设备。
推荐PDF: 《S7-1200/1500 系统手册》中关于“通信”和“程序设计”的章节。
人机界面与项目实战
- HMI (人机界面) 组态: 学习使用TIA Portal中的WinCC Advanced/Comfort软件,创建画面、添加按钮、变量、报警等,实现与PLC的数据交互。
- 项目实战:
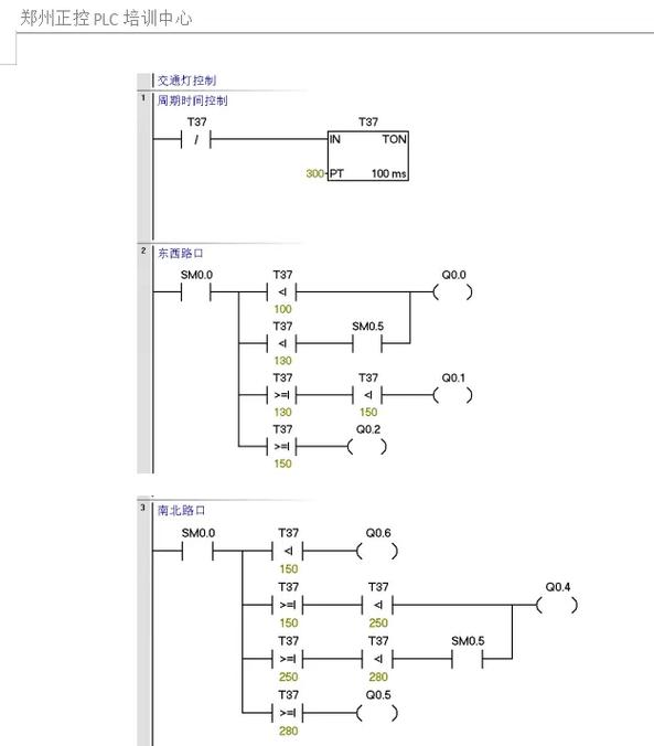
- 找一个简单的项目,电机启停控制”、“交通信号灯模拟”、“水箱水位控制”。
- 自己动手完成从硬件组态 -> 编写程序 -> HMI组态 -> 仿真测试的全过程。
优质在线资源推荐
除了PDF,这些资源对学习至关重要:
- Bilibili (B站):
- 搜索关键词:
西门子PLC入门教程,TIA Portal V15,S7-1200从零开始。 - 推荐UP主: 很多电气自动化领域的UP主制作了非常系统的免费视频课程,电工小张”、“自动化笔记”等。
- 搜索关键词:
- “工控人家”论坛:
一个老牌的工控技术论坛,有大量技术文章、问答和资料分享,可以解决很多实际问题。
- “中国工控网”:
行业门户网站,有新闻、技术、资料下载等板块,信息量大。
学习西门子PLC的最佳策略是:
“视频入门 + PDF精读 + 软件实操 + 项目驱动”
- 从B站等平台找一套完整的免费视频教程,跟着老师的节奏走,建立整体认知。
- 遇到具体问题或需要深入了解时,去西门子官网下载对应的官方手册PDF,这是最权威的参考资料。
- 一定要安装TIA Portal软件(有免费版),亲手创建项目,编写程序,并进行仿真。
- 从一个小项目开始,将所学知识串联起来,形成自己的知识体系。
祝您学习顺利!
