《机械制图与AutoCAD》综合教程
本教程将分为四大模块:

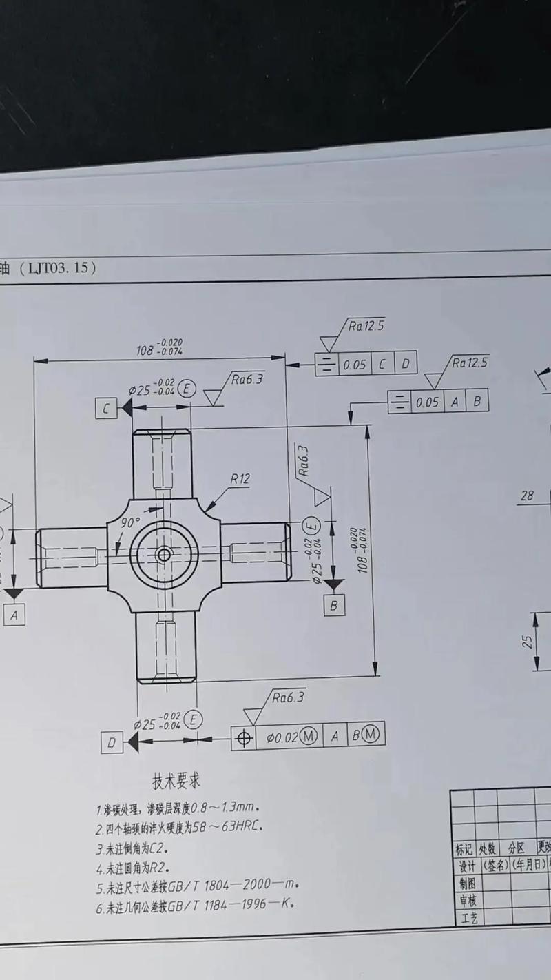
(图片来源网络,侵删)
- 理论基础篇:学习机械制图的“语法”和“规矩”。
- 软件入门篇:学习AutoCAD这个“画笔”和“画板”的基本使用。
- 实战进阶篇:将理论与软件结合,进行综合练习。
- 资源与建议篇:提供学习路径、推荐资源和高效学习技巧。
理论基础篇 - 机械制图是灵魂
在接触软件之前,必须理解机械制图的原理,AutoCAD只是一个工具,而设计思想和规范才是核心。
第一章:制图基本知识与规范
-
图纸幅面与格式
- 标准:GB/T 14689-2008 (国标)
- 了解A0, A1, A2, A3, A4等标准图纸的大小,学会设置图纸的标题栏、明细栏和边框。
-
字体与线型
- 字体:汉字应写成长仿宋体,字母和数字可写成直体或斜体,字高有系列标准(如2.5, 3.5, 5, 7, 10, 14mm)。
- 线型:这是机械制图的“语言”。
- 粗实线:可见轮廓线。
- 细实线:尺寸线、尺寸界线、剖面线、引出线。
- 虚线:不可见轮廓线。
- 细点画线:轴线、对称中心线。
- 波浪线:断裂边界线。
- 双点画线:相邻辅助零件的轮廓线。
- 线宽比:通常粗线宽为0.5mm或0.7mm,细线宽为0.18mm或0.25mm。
-
比例
(图片来源网络,侵删)- 定义:图形与实物相应要素的线性尺寸之比。
- 常用比例:原值比例 (1:1),放大比例 (如2:1),缩小比例 (如1:2, 1:5)。
- 原则:尽量采用1:1的比例,便于直接感知物体大小。
第二章:投影法与三视图
这是机械制图的核心核心核心!必须彻底理解。
-
正投影法
- 定义:投射线互相平行且垂直于投影面的投影方法。
- 特性:真实性、积聚性、类似性。
-
三视图的形成
- 三个基本投影面:正立投影面 (V面)、水平投影面 (H面)、侧立投影面 (W面)。
- 三视图:
- 主视图:从物体前方向后方投射,在V面上得到的视图,表达物体的长和高。
- 俯视图:从物体上方向下方投射,在H面上得到的视图,表达物体的长和宽。
- 左视图:从物体左方向右方投射,在W面上得到的视图,表达物体的高和宽。
-
三视图的投影规律
(图片来源网络,侵删)- 主、俯视图长对正。
- 主、左视图高平齐。
- 俯、左视图宽相等。
- 口诀:长对正,高平齐,宽相等,这是看图和画图的黄金法则。
第三章:机件的常用表达方法
-
剖视图
- 目的:表达物体的内部结构。
- 全剖视图:用一个剖切面完全剖开物体。
- 半剖视图:当物体对称时,一半画成视图,一半画成剖视图。
- 局部剖视图:用剖切面局部地剖开物体,表达局部内部结构。
- 注意:剖切面是假想的,一个视图画成剖视图后,其他视图仍应按完整物体画出,要画出剖面线。
-
断面图
- 目的:表达物体的断面形状。
- 移出断面:画在视图轮廓之外的断面图。
- 重合断面:画在视图轮廓之内的断面图。
-
简化画法与规定画法
如:肋板、轮辐的纵向剖切不画剖面线;相同结构的简化画法等。
第四章:尺寸标注与技术要求
-
尺寸标注的基本规则
- 尺寸四要素:尺寸线、尺寸界线、尺寸数字、箭头。
- 要求:正确、完整、清晰、合理。
-
尺寸分类
- 定形尺寸:确定形状大小的尺寸(如长、宽、高、直径、半径)。
- 定位尺寸:确定各部分相对位置的尺寸。
- 总体尺寸:确定物体总长、总宽、总高的尺寸。
-
技术要求简介
- 表面粗糙度:符号
Ra值,表示表面光滑程度。 - 尺寸公差:允许尺寸的变动量,如
Φ50±0.01。 - 形位公差:控制零件形状和位置精度的要求。
- 表面粗糙度:符号
软件入门篇 - AutoCAD是工具
掌握了理论,现在来学习如何使用AutoCAD将理论付诸实践。
第一章:AutoCAD入门基础
-
工作界面认识
- 应用程序菜单:新建、打开、保存、打印等。
- 快速访问工具栏:常用命令的快捷方式。
- 功能区:按选项卡(常用、插入、注释等)和面板组织的命令集合。这是最常用的区域。
- 绘图区:画图的地方。
- 命令行:最重要的交互窗口!可以输入命令、查看提示、输入参数,新手务必养成看命令行的习惯。
- 状态栏:显示当前光标坐标、开启/关闭绘图辅助工具(如栅格、正交、对象捕捉、极轴追踪等)。
-
基本操作
- 命令执行方式:点击按钮、输入命令全称/简写(如
LINE或L)、使用快捷键(如Ctrl+S保存)。 - 文件管理:
NEW(新建),OPEN(打开),QSAVE(保存),SAVEAS(另存为)。 - 图形显示:
ZOOM(缩放,Z),PAN(平移,P),这是最频繁的操作,务必熟练。
- 命令执行方式:点击按钮、输入命令全称/简写(如
第二章:基本二维绘图命令
-
直线类
LINE(L):画直线,输入起点,再输入下一点,按Enter或C(闭合) 结束。XLINE(XL):画无限长的构造线,常用于作辅助线。RAY:画射线。
-
圆与圆弧
CIRCLE(C):画圆,有多种方式(圆心-半径、两点、三点、相切-相切-半径)。ARC(A):画圆弧,方式非常多,通常用“起点-端点-半径”或“起点-圆心-角度”。
-
多边形类
RECTANGLE(REC):画矩形。POLYGON(POL):画正多边形(如三角形、六边形)。
-
点与曲线
POINT(PO):画点。DIVIDE(DIV):等分对象,在等分点处放置点或块。MEASURE(ME):测量对象,按指定长度放置点或块。SPLINE(SPL):画样条曲线,用于绘制不规则的曲线。
第三章:精确绘图与辅助工具
-
对象捕捉
- 作用:精确捕捉到对象的特殊点,如端点、中点、圆心、交点、垂足等。
- 设置:在状态栏右键点击“对象捕捉”,或在命令行输入
OSNAP进行设置。强烈建议开启端点、中点、圆心、交点。
-
极轴追踪
- 作用:按预设的角度增量追踪路径。
- 设置:在状态栏右键点击“极轴追踪”,设置增量角(如90°, 45°, 30°),配合对象捕捉,可以轻松画出水平和垂直线。
-
动态输入
- 作用:在光标附近显示命令提示和输入框,方便输入坐标和距离。
- 建议:新手可以开启,熟练后可以关闭,避免干扰。
第四章:图形编辑命令
-
选择对象
- 点选:直接单击对象。
- 窗口选择:从左到右拖动,完全框住的对象才被选中。
- 窗交选择:从右到左拖动,与窗口相交或被完全框住的对象都会被选中。
-
常用编辑命令
ERASE(E):删除对象。MOVE(M):移动对象。COPY(CO/CP):复制对象。OFFSET(O):偏移对象,创建同心圆、平行线等,非常常用。TRIM(TR):修剪对象,以其他对象为边界剪切掉多余部分,非常常用。EXTEND(EX):延伸对象,将对象延伸到其他对象。ROTATE(RO):旋转对象。SCALE(SC):缩放对象。FILLET(F):倒圆角。CHAMFER(CHA):倒角。ARRAY(AR):阵列对象(矩形阵列、环形阵列)。MIRROR(MI):镜像对象。
第五章:图层、文字与尺寸标注
-
图层
- 概念:像透明的胶片,可以把不同类型的图形元素(如轮廓线、中心线、尺寸线、文字)放在不同的图层上,以便统一管理和控制。
- 操作:
LAYER(LA) 命令打开图层特性管理器,可以新建图层、设置颜色、线型、线宽。 - 最佳实践:为不同类型的对象创建不同图层,并设置对应的颜色和线型。
-
文字
TEXT/MTEXT(T):创建单行或多行文字,需要先设置文字样式STYLE(ST)。
-
尺寸标注
- 核心步骤:
- 创建专门的尺寸标注图层。
- 设置标注样式
DIMSTYLE(D),这是最关键的一步,需要根据国标设置箭头大小、文字高度、尺寸线偏移等。
- 常用标注命令:
DIMLINEAR(DLI):线性标注(水平、垂直)。DIMALIGNED(DAL):对齐标注。DIMRADIUS(DRA):半径标注。DIMDIAMETER(DDI):直径标注。DIMANGULAR(DAN):角度标注。
- 核心步骤:
实战进阶篇 - 理论与软件的结合
这是检验学习成果的关键阶段。
实战任务一:绘制一个简单的零件三视图
-
准备工作
- 新建一个文件,设置好图形界限
LIMITS。 - 创建图层:
轮廓线(粗实线)、中心线(细点画线)、尺寸线(细实线)、文字(细实线)。 - 设置好各图层的颜色、线型和线宽。
- 设置好对象捕捉和极轴追踪。
- 新建一个文件,设置好图形界限
-
绘制过程
- 绘制俯视图:通常从最能反映物体形状特征的视图开始,用
RECTANGLE画底板,用CIRCLE画孔,用LINE画中心线,使用OFFSET偏移出平行线,用TRIM修剪多余线条。 - 绘制主视图:
- 利用“长对正”原则,从俯视图向上画投影线(可用
XLINE或临时追踪点)。 - 根据物体高度,用
LINE或RECTANGLE画出主视图的主要轮廓。 - 同样使用
OFFSET和TRIM完成细节。
- 利用“长对正”原则,从俯视图向上画投影线(可用
- 绘制左视图:
- 利用“高平齐”和“宽相等”原则,从主视图和俯视图画出投影线。
- 完成左视图的绘制。
- 标注尺寸:
- 切换到
尺寸线图层。 - 使用
DLI,DRA,DDI等命令进行尺寸标注。 - 检查尺寸是否完整、清晰、符合国标。
- 切换到
- 绘制俯视图:通常从最能反映物体形状特征的视图开始,用
实战任务二:绘制一个带剖视图的零件图
- 选择一个结构稍复杂的零件,如一个带阶梯孔的法兰盘。
- 绘制其基本视图(主视图和左视图)。
- 在主视图上绘制剖视图:
- 用
PLINE画一个剖切符号(包含粗短画和箭头)。 - 在剖切位置断开图形,将可见部分移开。
- 将剖切到的部分(如孔的表面)填充剖面线
HATCH(H),注意剖面线要间隔均匀,角度一致(通常45°或135°)。
- 用
- 标注剖视图的名称(如 A-A)。
- 完成所有尺寸和技术要求的标注。
资源与建议篇
推荐学习资源
-
书籍:
- 《机械制图》:高等教育出版社或机械工业出版社的任何一本经典教材,打好理论基础。
- 《AutoCAD 202X 完全自学教程》:选择最新版本,内容全面,案例丰富。
-
在线课程:
- B站:有大量免费的、高质量的AutoCAD和机械制图教程,搜索“机械制图教程”、“AutoCAD从入门到精通”,选择播放量高、评价好的UP主跟着学。
- 慕课网、腾讯课堂:有系统化的付费课程,适合想深入学习、获得项目经验的学员。
-
练习资源:
- 国家标准:下载GB/T 4457-4460等机械制图国标文件,熟悉规范。
- 零件图库:在网上搜索“机械零件图库”,下载真实的图纸进行临摹练习。
高效学习建议
- 先理论,后软件:切忌只学软件不学理论,没有理论指导,画出的图只是“图形”,不是“工程图”。
- 多看多想:多看优秀的工程图纸,分析它的布局、表达方法和标注技巧。
- 勤动手,多练习:制图和软件都是实践性极强的技能,每天保证1-2小时的练习时间,从简单到复杂,循序渐进。
- 善用快捷键:从一开始就强迫自己使用快捷键,这是提高绘图速度的关键。
L,C,TR,O,M等。 - 养成好习惯:
- 分层画图(图层管理)。
- 设置统一的文字样式和标注样式。
- 定期保存文件(
Ctrl+S)。 - 画完图后检查一遍,清理多余的线条。
- 学习3D绘图:在熟练掌握2D后,可以开始学习AutoCAD的3D功能(如
EXTRUDE拉伸,REVOLVE旋转,LOFT放样),3D建模能帮助你更好地理解空间结构,反过来提升2D视图的绘制能力。
祝你学习顺利,早日成为一名优秀的制图员或工程师!
